什么是温度冲击试验 发布时间:2025-10-20
在当今科技飞速发展的时代,各类产品面临着日益复杂的使用环境。其中,温度急剧变化对产品质量和寿命构成了严峻挑战。温度冲击试验,作为一项重要的环境可靠性测试,正成为众多行业不可或缺的检测环节。金鉴实验室作为专注于可靠性领域的科研检测机构,能够对进行严格的温度冲击试验,致力于为客户提供高质量的测试服务。
温度冲击试验概述
温度冲击试验,又称为热冲击试验或温度循环试验,广泛应用于科研机构、高等院校、工业生产单位及军工领域。这项测试主要评估各种工业产品在快速温度变化环境下的适应能力,测试对象涵盖电工产品、电子设备、半导体元件、电子线路板、金属材料及精密轴承等各类工业材料。根据GJB 150.5A-2009标准的定义,当产品周围环境温度以超过10℃/分钟的速率急剧变化时,即可被视为温度冲击环境。这一标准与美国军用标准MIL-STD-810F中的相关定义高度一致,体现了国际社会对这一测试方法的共识。金鉴实验室拥有专业的温度冲击试验测试设备和技术团队,能够确保温度冲击试验的准确性和可靠性,如需专业检测服务可联系金鉴检测顾问181-4899-0106。


温度冲击试验的目的
1.产品研发阶段温度冲击试验能够有效暴露产品在设计方案和制造工艺中的潜在缺陷。通过模拟极端温度条件,工程师可以在产品量产前发现并解决这些问题,避免后期大规模召回或维修造成的损失。
2.产品定型与量产阶段该测试验证的是产品对温度冲击环境的耐受能力,为产品能否批量生产提供关键数据支持。这一阶段的测试结果直接影响企业的投产决策,是保障产品质量的重要屏障。
3.产品筛选环节温度冲击作为环境应力筛选的重要手段,能够有效识别并剔除那些存在早期故障的产品,提高出厂产品的整体可靠性,降低市场故障率。
温度冲击的现实应用场景
在现代工业应用中,温度变化对电子设备和元器件的影响尤为显著。当设备处于非工作状态时,其内部零部件的温度变化通常比外部部件更为缓慢,这种温差会导致材料膨胀系数不一致,进而产生内部应力。实际应用中,温度急剧变化的情况:设备从恒温舒适的室内环境突然转移到严寒或酷热的户外环境;精密仪器意外遭遇雨水冲刷或浸入冷水导致的急速降温;安装在飞机外部的机载设备在高空低温与地面高温间的循环切换;以及在特定运输和存储条件下经历的温差波动。当设备通电工作时,内部会产生明显的温度梯度。例如,在大功率电阻器周围,热辐射会导致邻近元器件表面温度迅速升高,而设备其他部分可能仍保持较低温度。同样,当冷却系统启动时,通过人工方式降温的元器件也会经历快速的温度变化。在制造过程中,焊接、封装等工艺环节也可能引起元器件的快速温度变化。在这些情况下,温度变化的频次、幅度以及变化间隔都成为影响产品寿命的关键参数。金鉴实验室在温度冲击试验方面具有丰富的经验,实验室拥有一支由国家级人才工程入选者和资深技术专家组成的团队,能够针对不同的产品提供具体的解决方案。
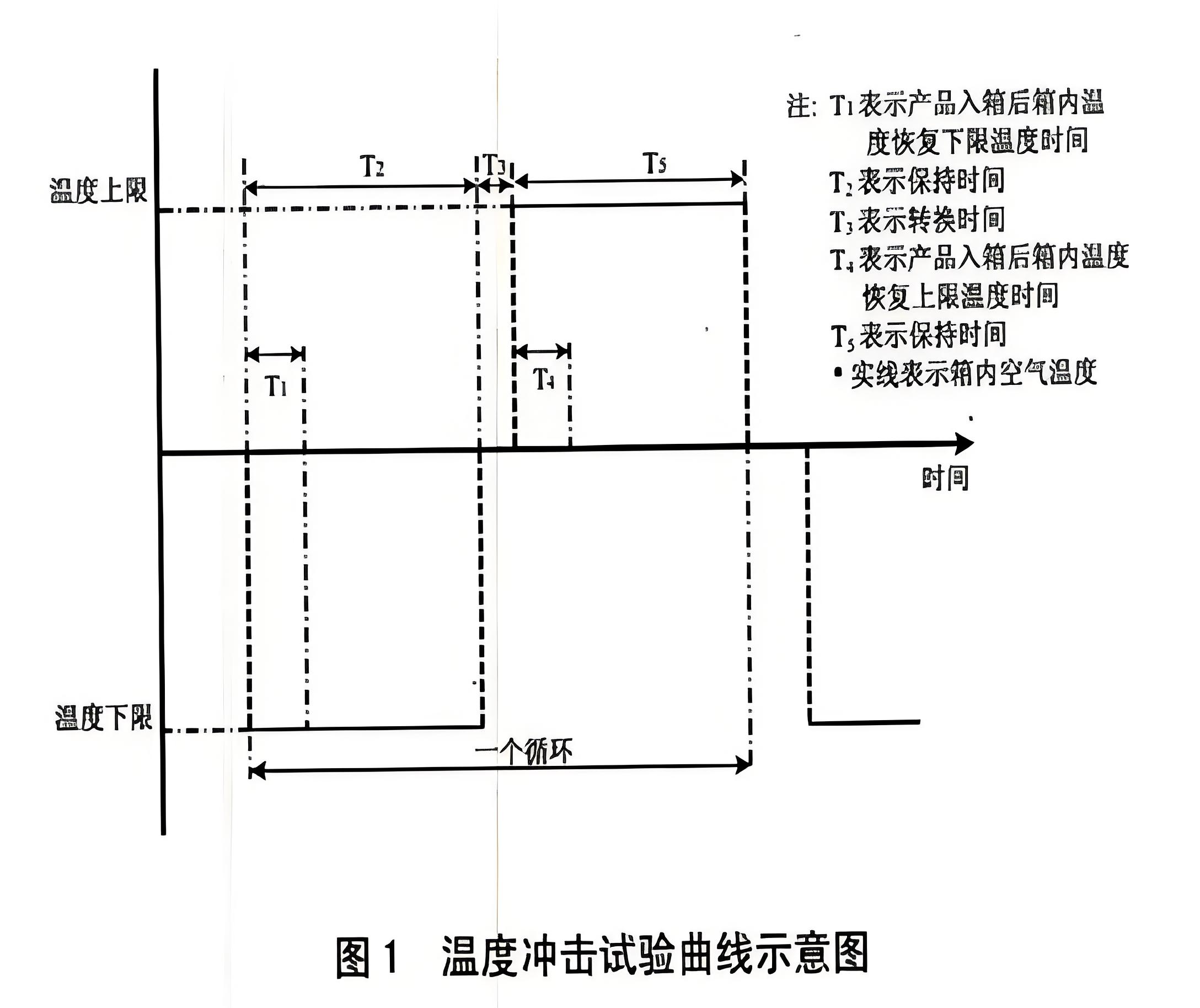
冷热冲击测试的三种主要方法
1.试验Na方法:侧重于规定转换时间的快速温度变化测试,使用空气作为传热介质。
2.试验Nb方法:关注的是规定变化速率的温度变化测试,同样以空气为介质。
3.试验Nc方法:即两液槽法快速温度变化测试,采用液体(通常是水或其他特定液体)作为传热介质。这三种方法各有特点:前两种空气介质方法的温度转换时间相对较长,而第三种液体介质方法则能实现更快速的温度切换。测试方法的选择取决于产品的实际使用环境和测试目的。
温度冲击试验的行业应用
轨道交通:信号系统、闸机、售票机、高/地铁门、制动系统等;
汽车行业:车载多媒体、发动机、内外饰、开关、刹车系统等;

光伏行业:光伏逆变器、电源、铜排等;
电子电工:冰箱、洗衣机、按摩椅等控制器、信息产品、电动工具等;
军工行业:军用线缆、舰载控制柜、军用通信设备等;
医疗行业:医用监视设备、激光手术设备等;
民用通讯:手机、无线设备、路由器、遥控器等;
其他行业:变频器、钢结构、工程机械、重工等。
温度冲击测试的标准体系
目前,行业内普遍采用的测试标准包括:针对电子产品的GB/T 2423系列国家标准;军工领域的GJB 150.5系列标准;汽车电子行业的ISO 16750国际标准;以及美国军用标准MIL-STD-810。此外,许多大型企业还会根据自身产品特点制定更为严格的企业标准(Q/XXX),以进一步提升产品质量和市场竞争力。金鉴实验室在进行试验时,严格遵循相关标准操作,确保每一个测试环节都精准无误地符合标准要求。
结语
温度冲击试验作为环境可靠性测试的重要组成部分,其价值已得到全球工业界的广泛认可。通过科学模拟产品在运输、存储和使用过程中可能遭遇的温度急剧变化环境,这项测试为企业改进产品设计、优化生产工艺提供了可靠的数据支持。金鉴实验室的专业服务不仅限于测试和认证,还包括失效分析、技术咨询和人才培养,为客户提供一站式的解决方案,金鉴将继续秉承着专业的服务态度,不断提升自身的技术水平和服务质量。
- 上一篇: 如何有效地开展EBSD失效分析
- 下一篇: LED红墨水测试


