AEC-Q氦质谱检漏试验 发布时间:2025-06-18
产品质量与安全的关键步骤
在现代工业生产和日常生活中,密封性检测是一项至关重要的工艺,它确保了产品的性能、安全和可靠性。金鉴实验室作为一家专注于光电半导体芯片和器件失效分析的科研检测机构,拥有先进的氦质谱检漏设备,能够为各种设备和容器提供高精度的气密性检测服务,确保其在内外压差存在的情况下保持绝对的密封性。
泄漏程度的量化
泄漏程度可以通过单位时间内单位体积容器内压强的变化来量化。例如,如果一个4升容积的自行车轮胎在30天内从3 bar的胎压降到2 bar,这表明泄漏非常严重。这种泄漏程度是可以通过常用的检漏方法检测出来的。一个简单的检测方法是将车胎放入水中,观察气泡冒出的位置,从而找到漏点。

检漏仪的工作原理
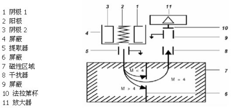
氦质谱检漏仪是一种高灵敏度的气密性检测设备,它基于质谱学原理,使用氦气作为示踪气体。其工作原理是利用灯丝发射的电子在电离室内振荡,与电离室内的气体和通过被检测件的漏孔进入电离室的氦气碰撞,使其电离成正离子。这些离子在加速电场的作用下进入磁场,由于洛伦兹力的作用而偏转,形成圆弧形轨道。通过改变加速电压,不同质量的离子可以通过磁场和接收缝到达接收极,从而被检测。金鉴实验室配备了专业的氦质谱检漏仪,能够精准识别微小泄漏,确保电子元器件和其他关键设备的安全性和可靠性,如需进行专业的检测,可联系金鉴检测顾问189-2421- 3655。
氦质谱检漏仪的质谱学原理
氦质谱检漏仪的检漏方法
氦质谱检漏仪通常有两种检漏方法:常规检漏和逆扩散检漏。逆扩散检漏是将被检件连接在分子泵的出气口一端,漏入的氦气逆着泵的排气方向进入安装在泵进气口端的质谱管内,从而被检测。这种检漏方法基于分子泵对不同质量气体的不同压缩比,即利用不同气体的逆扩散程度不同而设计。金鉴实验室致力于为客户提供个性化的服务,确保每一个环节都达到最高标准。
质谱示意图
氦质谱检漏仪的真空系统图
氦质谱检漏仪
金鉴实验室采用先进的氦质谱检漏设备,为电子元器件提供气密性检测。检漏过程中,首先向被检件压入氦气,然后将其放入专用检漏罐中,并通过检漏仪进行检测。如果器件有泄漏,氦气会通过漏孔释放并进入检漏罐,最终到达质谱管。
金鉴实验室的服务与设备
密封性检测对于确保产品质量和安全至关重要。在汽车行业,例如,LED光源的应用已经渗透到了车辆的各个部分,从车灯照明到智能系统,再到安全系统如盲点侦测等。随着汽车行业对LED光源需求的增加,确保这些产品能够在各种复杂多变的车辆环境中稳定工作,成为了一个重要的课题。因此,AEC-Q102认证成为了LED元组件供应商进入车用LED市场的金标准。
金鉴实验室是一家专注于光电半导体芯片和器件失效分析的科研检测机构,拥有国家认可的CMA/CNAS资质。实验室提供包括氦质谱检漏试验在内的多种环境应力测试服务,并拥有先进的测试设备和技术,能够为客户提供精确、可靠的测试结果。此外,金鉴实验室还提供专业的技术支持和咨询服务,帮助客户优化产品设计,提高产品在恶劣环境下的性能。
- 上一篇: 什么是RoHS测试?
 - 下一篇: LED的TEM分析
 
                
 
 

