氩离子抛光技术在石油地质的应用 发布时间:2025-12-05
石油勘探
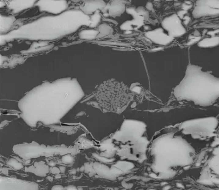
扫描电子显微镜(SEM)作为石油地质领域不可或缺的研究利器,凭借其精准的微观观测能力,对沉积岩中的有机质、粘土矿物、钙质超微化石以及储集岩等开展深入细致的研究,为石油地质学的蓬勃发展提供了坚实有力的技术支撑。金鉴实验室作为专注于材料分析领域的科研检测机构,拥有先进的SEM设备,我们的专业团队将为您提供高质量的样品分析服务,确保数据的准确性和可靠性。

SEM分析
在这之前,样品的制备是至关重要的一步。传统的研磨和抛光方法虽然在一定程度上能够满足样品表面处理的需求,但往往会对样品表面造成不可逆的损伤。划痕、污染和形变等问题不仅会影响样品的外观,更会对微观结构的准确观察带来严重干扰。特别是在非常规油气资源如页岩气的开发中,样品内部的纳米级孔隙结构对于常规抛光技术来说是一个巨大的挑战。这些孔隙结构是油气储存和流动的关键通道,其完整性对于理解油气赋存状态和迁移规律至关重要。金鉴实验室具备专业的样品制备技术,金鉴技术团队将为您提供最优质的样品制备方案,确保样品内部的纳米级孔隙结构能够得到准确观察,如需进行专业的检测,可联系金鉴检测顾问189-2421- 2733。
技术手段

1.高精度抛光能力能够提供无损伤的平滑截面,这对于观察纳米级别的孔隙结构至关重要。在微观世界中,每一个微小的孔隙都可能蕴含着油气的踪迹,而氩离子抛光技术能够确保这些孔隙结构的完整性,为研究人员提供清晰、准确的观察视角。金鉴实验室通过氩离子抛光技术,能够显著提升样品的质量,为后续的检测分析提供更准确的数据支持。
2.低温抛光保护功能是氩离子抛光技术的一大亮点。配备液氮冷却样品台,能够有效减少抛光过程中的热损伤,保护含油有机物质及易挥发成分。在石油勘探中,这些有机物质和易挥发成分往往是油气生成和储存的重要标志,低温抛光保护技术能够确保这些关键信息的完整保留,为油气勘探提供更可靠的依据。
3.氩离子抛光技术具备多学科分析能力。结合SEM、薄片岩相鉴定仪、X-衍射仪等设备,研究人员可以对矿物成分、结构及孔隙分布进行全面分析。金鉴实验室的技术人员熟练运用这些设备,能够为客户提供专业的氩离子抛光服务,实现多学科分析的无缝对接,为石油勘探提供全方位的技术支持。自动化操作是氩离子抛光技术的另一大优势。通过减少人为操作误差,不仅提高了工作效率,还节省了大量时间。在石油勘探的高强度工作中,时间就是效率,效率就是效益。氩离子抛光技术的自动化操作能够确保样品制备的快速、准确,为科研人员争取更多的时间进行深入研究。
设备技术的优势
氩离子抛光设备的引入,为油田科研实验带来了质的飞跃。它不仅能够精确捕捉矿物中纳米级别的细小孔隙,还能满足未来科研生产的需求,有效解决泥岩、页岩等样品内部孔隙的SEM图像观察等科研难题。在石油勘探的微观世界中,这些细小孔隙是油气储存和流动的关键通道,氩离子抛光设备的高精度性能能够为科研人员提供清晰、准确的图像信息,帮助他们更深入地理解地质结构。通过这些技术的应用,油田科研人员能够更精准地把握油气赋存状态和迁移规律,为石油勘探和开发提供更加精确的数据支持。金鉴实验室致力于为客户提供专业的测试和分析服务,帮助广大客户了解更多技术知识。金鉴实验室的专业服务不仅限于测试和认证,还包括失效分析、技术咨询和人才培养,为客户提供一站式的解决方案,金鉴将继续秉承着专业的服务态度,不断提升自身的技术水平和服务质量。
- 上一篇: AEC - Q102之汽车电子组件焊线测试
- 下一篇: LED灯具光生物安全IEC62471标准及范围


